kids encyclopedia robot

Jan Ernst Matzeliger facts for kids

Kids Encyclopedia Facts
Quick facts for kids
Jan Ernst Matzeliger
Jan ernst matzeliger.gif
Jan Ernst Matzeliger in 1885
Born (1852-09-15)15 September 1852
Paramaribo, Surinam
Died 24 August 1889(1889-08-24) (aged 36)

Jan Ernst Matzeliger (born September 15, 1852 – died August 24, 1889) was a clever shoemaker and inventor. He created a special machine that changed how shoes were made. This invention made shoes much easier and cheaper to produce.

About Jan Matzeliger

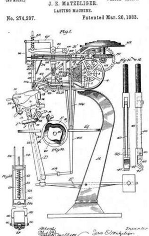
Zwikmachine 1885
The lasting machine Matzeliger invented.

Jan Matzeliger was born in a place called Dutch Suriname, which is now Suriname. His father, Ernst Matzeliger, was a Dutchman who owned a big ship-building business. Jan's mother was an African woman who worked on a plantation.

When Jan was ten years old, he started learning about machines at his father's shipworks. He was very good at understanding how things worked. At 19, he left Suriname and worked on a ship for several years. Later, he moved to Philadelphia, Pennsylvania, in the United States. There, he learned how to make shoes. By 1877, he had learned enough English (his first language was Dutch) and moved to Massachusetts. This state was a big center for making shoes. He soon got a job at the Harney Brothers Shoe factory.

His Amazing Invention

For a long time, shoes were mostly made by hand. To make a shoe fit well, shoemakers would create a wooden or stone shape called a "last." This "last" was the exact size and shape of a person's foot. The hardest part of making a shoe was attaching the bottom part (the sole) to the top part (the upper shoe). It took a lot of skill to sew and tack these two parts together.

People thought only skilled workers could do this difficult job. These workers, called "shoe lasters," had a lot of power in the shoe industry. Sometimes, they would stop working, which caused problems for everyone else in the factory.

Jan Matzeliger decided to invent a machine that could do this job automatically. After five years of hard work, he got a patent for his invention in 1883. Before his machine, a skilled worker could make about 50 pairs of shoes in a ten-hour day. Matzeliger's machine could make between 150 and 700 pairs of shoes in the same amount of time! This amazing invention cut the price of shoes in half across the country.

His Legacy

Matzeliger worked incredibly long hours on his invention. He often didn't eat enough, and this made him sick. He caught a cold that turned into a serious lung disease called tuberculosis. He died young, on August 24, 1889, in Lynn, Massachusetts, just before his 37th birthday. He never got to see how much money his invention would make.

Many people believe Matzeliger's invention was one of the most important inventions for the shoe industry. A church he belonged to even held a special event in 1967 to honor him. Sadly, because of the color of his skin, his important work was not often mentioned in history books until recently.

To honor his contributions, the United States issued a special 29-cent postal stamp with his picture on it. This stamp came out on September 15, 1991, and is part of the Black Heritage Stamp Series.

See also

United Shoe Machinery Corporation Kids robot.svg In Spanish: Jan Ernst Matzeliger para niños

Black History Month on Kiddle
Influential African-American Artists:
James Van Der Zee
Alma Thomas
Ellis Wilson
Margaret Taylor-Burroughs
kids search engine
Jan Ernst Matzeliger Facts for Kids. Kiddle Encyclopedia.